Гуандун Ruisite Electric Co., LTD.
Гуандун Ruisite Electric Co., LTD.
Продукты
Продукты
Шунт низкого сопротивления
  • Шунт низкого сопротивленияШунт низкого сопротивления
  • Шунт низкого сопротивленияШунт низкого сопротивления
  • Шунт низкого сопротивленияШунт низкого сопротивления
  • Шунт низкого сопротивленияШунт низкого сопротивления
  • Шунт низкого сопротивленияШунт низкого сопротивления
  • Шунт низкого сопротивленияШунт низкого сопротивления

Шунт низкого сопротивления

Компания RST Electric представляет шунт с низким сопротивлением — прецизионное решение для измерения сильноточного тока, предназначенное для требовательных автомобильных, промышленных и возобновляемых источников энергии. Используя технологию вакуумной электронно-лучевой сварки с электродами из чистой меди, этот токовый шунт обеспечивает исключительную стабильность, высокую импульсную устойчивость и сверхнизкие значения сопротивления от 0,1 мОм до 0,667 мОм. Благодаря номинальной мощности до 15 Вт и допускам до ±0,5% он идеально подходит для систем управления батареями (BMS), моторных приводов, инверторов и высокочастотных преобразователей энергии. Цельнометаллическая конструкция имеет протравленную и пассивированную поверхность, обеспечивающую превосходную коррозионную стойкость и устойчивость к атмосферным воздействиям, а сверхнизкая индуктивность (<5 нГн) и минимальная термоЭДС обеспечивают точные измерения в быстропереключающихся цепях. Этот высокоточный шунт полностью соответствует требованиям RoHS и Reach и доступен в различных форм-факторах с поддержкой индивидуальных спецификаций. 

Компания RST Electric уже более 10 лет активно занимается разработкой шунтов низкого сопротивления. Мы специально разработали шунт с низким сопротивлением для сценариев, требующих чрезвычайно высокой точности и стабильности обнаружения, например, в автомобильной, промышленной и возобновляемой энергетике. Мы рассмотрели проблемы недостаточной точности, плохой стабильности и чувствительности к факторам окружающей среды в традиционных шунтах при работе в сценариях с высоким током. Наш продукт широко совместим с системами управления батареями (BMS), драйверами двигателей, инверторами и оборудованием для высокочастотного преобразования энергии. Это предпочтительный основной компонент для многих мировых поставщиков автомобильной продукции и предприятий по хранению энергии.


Особенности продукта


Мы всегда ориентируемся на основные требования покупателей. Шунт низкого сопротивления имеет полностью металлическую конструкцию и передовую технологию вакуумной электронно-лучевой сварки, что позволяет точно обнаруживать большие токи при сверхнизком сопротивлении. Он также обладает превосходными свойствами устойчивости к коррозии и вибрации и идеально подходит для суровых рабочих условий, таких как моторные отсеки автомобилей и уличное промышленное оборудование. Он полностью соответствует экологическим стандартам RoHS и REACH, и нет необходимости беспокоиться о рисках соответствия.


Основной процесс


Мы используем технологию вакуумной электронно-лучевой сварки, что является одним из наших основных преимуществ, отличающих нас от обычных производителей. В отличие от традиционных процессов пайки, с помощью вакуумной электронно-лучевой сварки мы плавно соединяем резистивные компоненты из высокоточных сплавов с электродами из чистой меди в единую интегрированную структуру. Это исключает влияние контактного сопротивления в его источнике, обеспечивая стабильность и механическую целостность изделия при длительной эксплуатации.

Весь процесс сварки выполняется в вакууме, что эффективно позволяет избежать таких проблем, как окисление и загрязнение примесями во время процесса сварки. Сварные соединения обладают высокой прочностью и хорошей проводимостью, выдерживают интенсивные вибрации и температурные циклы. Они полностью совместимы со сложными условиями труда, такими как вождение транспортных средств и эксплуатация промышленного оборудования.

У нас есть полностью независимая производственная система, от выбора сплава, вакуумной электронно-лучевой сварки до пассивации поверхности и проверки готовой продукции. Мы контролируем весь процесс независимо, и каждый этап строго контролируется, чтобы гарантировать постоянное качество сварки каждого шунта низкого сопротивления и исключить отклонения при обнаружении, вызванные дефектами процесса.


Техническая спецификация


Параметр

Спецификация

Ряд

ГРИПП

Диапазон сопротивления

0,1 мОм – 0,667 мОм

Номинальная мощность

Макс. 15 Вт

Толерантность

±0,5% (Д), ±1% (Ф), ±5% (Дж)

Температурный коэффициент (TCR)

Мин. 25 частей на миллион/°C (типичное значение)

Индуктивность

< 5nH (сверхнизкий)

Тепловая ЭДС

Чрезвычайно низкая (цельнометаллическая конструкция)

Диапазон рабочих температур

от -55°С до +170°С

Строительство

Сплав, сваренный вакуумной электронно-лучевой сваркой + электроды из чистой меди

Обработка поверхности

Травление и пассивация (антисернистая, антикоррозийная)

Монтаж

Сквозное отверстие/подключение к шине

Прекращение действия

Клеммы из луженой меди (токовые входы I1, I2; датчик напряжения U1, U2)

Метод измерения

4-проводное соединение по Кельвину

Согласие

RoHS 2.0, охват

Приложения

Управление батареями, моторные приводы, инверторы, высокочастотное преобразование энергии

 

Электрические характеристики и надежность


Тестовый предмет

Требования к производительности

Метод испытания

Температурный коэффициент (TCR)

В пределах указанного допуска

IEC 60115-1 4.8, измерение при 20°C и +130°C, эталон +25°C

Кратковременная перегрузка

Без видимых повреждений, ΔR≤ ±1%

5× номинальная мощность в течение 5 секунд

Влажное тепло (стационарное состояние)

Без видимых повреждений, ΔR≤ ±1%

MIL-STD-202, метод 103, 85°C/85% относительной влажности, 10% номинальной мощности, 1000 часов

Высокотемпературное хранение

Без видимых повреждений, ΔR≤ ±1%

IEC 60115-1 4.25.3, 1000 часов при 170°C, без нагрузки

Низкотемпературная нагрузка

Без видимых повреждений, ΔR≤ ±0,5%

IEC 60115-1 4.36, охлаждение до -55°C (без нагрузки 1,5 часа), подача номинальной мощности 45 минут, охлаждение 15 минут

Температурный цикл

Без видимых повреждений, ΔR≤ ±1%

IEC 60115-1 4.19, -55°C (30 мин)↔ +155°C (30 мин), 1000 циклов

Нагрузка жизни

Без видимых повреждений, ΔR≤ ±1%

IEC 60115-1 4.25.1, 70°C, номинальный ток, 1,5 часа вкл./0,5 часа выкл., 1000 часов


Основные преимущества производительности


(1) Сверхнизкое сопротивление и высокая точность

Наш шунт с низким сопротивлением имеет диапазон сопротивления от 0,1 мОм до 0,667 мОм и способен точно обнаруживать большие токи в диапазоне от 75 А до 300 А. Соответствующее полное падение напряжения составляет от 30 мВ до 75 мВ. Он может напрямую взаимодействовать с аналого-цифровыми преобразователями и операционными усилителями без необходимости использования дополнительных компонентов адаптера. Это существенно снижает затраты покупателей на интеграцию оборудования. Кроме того, мы предлагаем три стандартных допуска: ±0,5%, ±1% и ±5%. Версия с высокой точностью ±0,5% может соответствовать сценариям с чрезвычайно высокими требованиями к точности обнаружения, таким как оценка состояния батареи (SoC), при этом минимальный настраиваемый допуск достигает всего ±0,25%. Он полностью адаптируется к различным потребностям в закупках.

(2) Низкий температурный коэффициент и широкая температурная адаптация.

Основной компонент шунтирующего устройства изготовлен из высокоточного сплава с температурным коэффициентом всего 25 ppm/°C. Это гарантирует, что в широком диапазоне рабочих температур от -55°C до +170°C дрейф сопротивления чрезвычайно мал, а точность обнаружения остается стабильной все время. В ходе реальных производственных испытаний мы обнаружили, что даже в экстремальных условиях, таких как высокие температуры в моторном отсеке автомобиля и низкие температуры на открытом воздухе, это шунтирующее устройство по-прежнему может сохранять отличные характеристики обнаружения без отклонения данных из-за изменений температуры. Он полностью решает проблему чрезмерного температурного дрейфа традиционных шунтов и подходит для различных сложных сценариев изменения температуры.

(3) Цельнометаллическая пассивационная обработка

Мы разработали шунтирующее устройство с полностью металлической конструкцией и внедрили процесс кислотной промывки и пассивации поверхности. После такой обработки шунтирующее устройство обладает чрезвычайно высокой устойчивостью к сульфидированию, коррозии и старению и может эффективно противостоять воздействиям окружающей среды, таким как влажность наружного воздуха, промышленные агрессивные газы и выхлопные газы транспортных средств. Это значительно продлевает срок службы изделия. Будь то наружное оборудование, использующее возобновляемые источники энергии, или суровая среда внутри моторного отсека автомобиля, это шунтирующее устройство может работать стабильно, сокращая затраты на последующую замену и техническое обслуживание, а также помогая покупателю снизить общую стоимость использования.

(4) Сверхнизкая индуктивность и низкая термоэлектродвижущая сила.

Для таких сценариев, как высокочастотное преобразование мощности и быстрое обнаружение переходных процессов, мы оптимизировали структуру шунтирующего резистора, чтобы гарантировать, что его паразитная индуктивность ниже 5 нГн, то есть почти равна нулю. Такая конструкция эффективно сохраняет целостность сигнала в высокочастотных цепях и позволяет избежать ошибок измерения, вызванных чрезмерно высокой индуктивностью в традиционных шунтах. Кроме того, сочетание электродов из чистой меди и однородной структуры материала минимизирует термоэлектрический потенциал, что еще больше повышает точность обнаружения. Эта конструкция особенно подходит для приложений с чрезвычайно высокими требованиями к целостности сигнала, таких как высокочастотные коммутационные цепи и электроприводы.

(5) Четырехпроводное соединение по шкале Кельвина.

Мы интегрировали четырехпроводные клеммы Кельвина в шунт, а с помощью независимых клемм для определения напряжения мы эффективно устраняем ошибки обнаружения, вызванные сопротивлением проводов, достигая действительно высокоточного определения тока. Данная конструкция не требует от заказчиков дополнительных компонентов компенсации ошибок, что упрощает процесс интеграции оборудования, обеспечивая при этом стабильность точности обнаружения шунта при длительной эксплуатации. Он особенно подходит для таких сценариев, как промышленный контроль и управление батареями, в которых предъявляются строгие требования к обнаружению ошибок.

(6) Сертификация надежности AEC-Q200

Каждый шунт низкого сопротивления прошел строгие испытания на надежность AEC-Q200, включая многочисленные строгие проверки, такие как циклическое изменение температуры, хранение при высоких температурах, срок службы нагрузки, испытания на влажность и тепло, чтобы гарантировать, что продукты соответствуют стандартам производительности автомобильного уровня и могут быть непосредственно применены к автомобильному электронному оборудованию. Мы настаиваем на проведении 100% электрических испытаний для каждого продукта, уделяя особое внимание проверке основных параметров, таких как сопротивление и допуск, а также на проведении выборочных испытаний на надежность серийных продуктов, чтобы предотвратить выпуск неквалифицированных продуктов, предоставляя покупателям стабильные и надежные гарантии на продукцию.


Применение продукта


Промышленность

Специальное применение

Описание

Автомобильная электроника

Системы управления батареями (BMS)

Высокоточное измерение тока для оценки состояния заряда (SoC) и состояния работоспособности (SoH) в системах EV, HEV и 48 В.

Зарядные устройства для электромобилей

Встроенный и внешний контроль зарядного тока для устройств быстрой зарядки переменного и постоянного тока.

Преобразователи постоянного тока в постоянный

Измерение фазного тока в системах преобразования вспомогательной энергии 12 В/48 В.

Промышленная мощность

Моторные приводы и инверторы

Сильноточное определение фазы в преобразователях частоты, сервоприводах и промышленных инверторах.

Высокочастотные импульсные преобразователи

Измерение тока с низкой индуктивностью в резонансных преобразователях и каскадах PFC.

Возобновляемая энергия

Солнечные инверторы

Мониторинг звена постоянного тока и фазного тока в сетевых и автономных фотоэлектрических системах.

Системы хранения энергии (ESS)

Измерение тока аккумуляторной батареи в стационарных хранилищах для сетей и коммерческого применения.

Тестирование и измерение

Сильноточные шунты

Прецизионное измерение тока для лабораторных источников питания, электронных нагрузок и систем сбора данных.

Калибровочное оборудование

Эталонные шунты для калибровки сильноточных счетчиков и датчиков.

Телеком и сервер

Блоки распределения питания (PDU)

Текущий мониторинг серверных стоек и управление питанием центра обработки данных.

Мощные выпрямители

Измерение постоянного тока в энергосистемах базовых станций связи.


Упаковка и доставка


Мы придаем большое значение безопасности транспортировки каждого шунта низкого сопротивления. Мы разработали подробный план упаковки и доставки, чтобы гарантировать, что продукция попадет к покупателю в целости и сохранности с завода. При упаковке партии мы помещаем каждый шунт в антистатический пакет с пенопластом, а затем равномерно укладываем их в коробки из гофрированного картона. Это эффективно предотвращает повреждение клемм и деформацию компонентов во время транспортировки.

Для токовых клемм и клемм обнаружения шунтов мы используем пенопластовые чехлы или клейкие ленты для фиксации, чтобы клеммы оставались прямыми и не влияли на последующую установку и использование покупателем. При отправке каждой партии товара мы прилагаем к товару упаковочный лист и сертификат проверки, чтобы облегчить приемку и проверку покупателем. В то же время мы предоставляем полную техническую документацию для удовлетворения требований проверки соответствия.

Что касается способов транспортировки, мы предлагаем гибкие варианты: небольшие партии заказов доставляются международными курьерскими службами, такими как DHL, FedEx и UPS, которые работают быстро и гарантируют, что покупатель быстро получит образцы или небольшие партии товара; заказы средней партии доставляются воздушным транспортом, обеспечивая баланс между своевременностью и стоимостью; Заказы крупных партий перевозятся морским путем, что значительно снижает транспортные расходы и полностью адаптируется к различным объемам закупок. Кроме того, мы также даем четкие рекомендации по хранению. Мы рекомендуем хранить шунты в помещении с температурой 25°C ± 5°C, относительной влажностью менее 70%, хорошей вентиляцией и отсутствием агрессивных газов, чтобы продлить срок службы изделия в простое.


Low Resistance Shunt


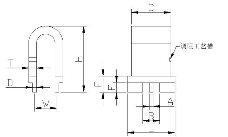
Чертеж и размеры


Low Resistance Shunt

Low Resistance Shunt


Причины выбора RST Electric


(1) Прямые поставки с завода-изготовителя

Мы являемся официально сертифицированным производителем шунтов низкого сопротивления в Китае и работаем в этой области более 10 лет. Мы располагаем производственной базой, сертифицированной по стандарту ISO 9001, и эксклюзивной линией по производству сильноточных шунтов. Мы строго контролируем все производственные процессы самостоятельно, без повышения цен на каких-либо промежуточных этапах. Наша модель прямых поставок с завода позволяет покупателям приобретать высококачественные шунты серии FLU по более разумным ценам, что значительно повышает соотношение цены и качества.

(2) Поддержка профессиональной команды

У нас есть опытная команда инженеров, занимающаяся исследованиями и разработкой современных решений обнаружения для автомобильного и промышленного секторов. Мы можем обеспечить индивидуальный дизайн продукта и техническую поддержку на основе конкретных сценариев применения покупателей. В то же время мы строго придерживаемся 100% электрических испытаний (сопротивление, допуск, проверка выборки TCR), и каждый продукт проходит строгий контроль качества, чтобы обеспечить стабильную и стабильную работу, отвечающую требованиям покупателей к серийному производству.

(3) Глобальный макет

Наша продукция экспортируется в более чем 40 стран, включая Германию, США, Японию, Южную Корею и Бразилию. Мы являемся надежным партнером мировых поставщиков автомобильной продукции, производителей систем управления аккумуляторами и промышленных энергетических предприятий. Мы накопили богатый промышленный опыт в области сверхнизкого сопротивления и высокоточного обнаружения сильного тока. Мы знакомы с отраслевыми стандартами и требованиями соответствия различных стран и можем предоставлять нашим клиентам продукты и услуги, соответствующие местным стандартам.

(4) Улучшение доставки и послепродажного обслуживания.

Мы предлагаем гибкие сроки доставки. Для стандартных спецификаций срок поставки составляет 10-15 рабочих дней. Для индивидуальных продуктов срок доставки составляет 15-25 рабочих дней. Эти периоды могут гибко корректироваться в соответствии с производственным графиком покупателя, чтобы гарантировать, что он не влияет на производственный план покупателя. При этом мы предоставляем гарантийное обслуживание 12 месяцев. В течение гарантийного срока может быть оказана услуга удаленной диагностики неисправностей, доставки запасных частей. Профессиональные технические группы могут помочь покупателю завершить интеграцию и отладку продукта, а также обеспечить полную защиту закупок и использования покупателем на протяжении всего процесса.




Горячие Теги: Шунт низкого сопротивления, Поставщик, Оптовая торговля, На заказ, Производитель
Отправить запрос
Контакты
  • Адрес

    № 13, North Shore Road, город Хуанцзян, город Дунгуань, провинция Гуандун, Китай

  • Электронная почта

    tom@rst-electric.com

Если у вас есть какие-либо вопросы по поводу предложения или сотрудничества, пожалуйста, отправьте электронное письмо или воспользуйтесь следующей формой запроса. Наш торговый представитель свяжется с вами в течение 24 часов.
X
Мы используем файлы cookie, чтобы предложить вам лучший опыт просмотра, анализировать трафик сайта и персонализировать контент. Используя этот сайт, вы соглашаетесь на использование нами файлов cookie. политика конфиденциальности
Отклонять Принимать